Musíte změnit nastavení vašeho prohlížeče
Podívejte se na:
Jak povolit JavaScript ve vašem prohlížeči
.
Pokud používáte software na blokování reklam, může být nutné povolit JavaScript z této stránky.
Děkujeme.
Tento web používá soubory cookie. Dalším procházením tohoto webu vyjadřujete souhlas s jejich používáním.. Více informací
zde
.
Nastavení
Souhlasím
Přejít na obsah
Přihlášení k vašemu účtu
Nemůžete vyplnit toto pole
Přihlásit se
Nová registrace
Zapomenuté heslo
Pokračovat do košíku
Zákaznická podpora:
577 912 148
Obchodní podmínky
Doprava
Kontakty
Důležité odkazy
Registrace
Přihlášení
Hledat
Nákupní košík
Prázdný košík
KOMPRESORY
Kompresory
příslušenství, ostatní
BRZDY
VZDUCHOJEMY
brzdové válce
kotoučové
brzdové třmeny, držáky
,
brzdové desky, senzor opotřebení
,
příslušenství, ostatní
,
kotouče
bubnové
brzdové válečky
,
brzdové čelisti, obložení, nýty
,
příslušenství, ostatní
brzdové páky
Brzdové páky
náboj kol a příslušenství
náboj
ÚPRAVA VZDUCHU
filtrpatrony
vysoušeče
odlučovače vody a oleje
jednotky úpravy vzduchu
víceokruhové jistící ventily
ELEKTRONIKA
posilovač spojky elektronický
snímače, senzory, příslušenství
kabely
ABS, EBS
elektronika ostatní
vysoušeče EAC
řídící jednotky
kompresory, ventilové bloky ELC
VENTILY
víceokruhové jistící ventily
brzdiče, rozvaděče
relé ventily, ovládací ventily
regulátory
ventily ostatní
ventily pérování, zvedání
tlumiče hluku
ventily ruční brzdy
spojkové hlavice
elektromagnetické ventily
FILTRY
palivové
vzduchové
olejové
kabinové
hydraulické
SPOJOVACÍ MATERIÁL
příslušenství
šrouby
spony
podložky
hadice
konektory, kolíky, očka
o-kroužky
matice
TLUMIČE, MĚCHY PÉROVÁNÍ
náprava
kabina
OSVĚTLENÍ
žárovky
příslušenství
pracovní lampy
světla
kryty
OPRAVÁRENSKÉ SADY
opr.sady ostatní
brzdič přívěsu
kompresor
ventil ruční brzdy
vysoušeč
pedálový brzdič
brzdový třmen
brzdový válec
posilovač spojky, spojk.váleček
odlučovač
čtyřcestný pojistný ventil
relé ventil
regulátor
PALIVOVÝ SYSTÉM
příslušenství
nádrže
ŘÍZENÍ
čepy
táhla
PŘEVODOVKA
řadiče
ventily řazení
elektrické ovládače spojky
KABINA
příslušenství a doplňky
palubovka
elektrické vybavení
,
spínací skříňky
zrcátka
komplet
,
příslušenství
,
skla
stěrače
tachografy
zabezpečení
zámky dveří, kliky
sedačka
STARTÉRY
NÁŘADÍ
zvedáky
upínací pásy
CHLADIČE
ALTERNÁTORY
AUTOKOSMETIKA
OSTATNÍ
ložiska
výbava
samolepky
klínové řemeny
AUTOBATERIE
příslušenství
KAROSERIE
KAPALINY, MAZIVA, MAZACÍ TUKY
mazací tuky
kapaliny
oleje
HADICE
vodní
vzduchové
ostatní, príslušenství
palivové
olejové
hydraulické
SPOJKA
posilovače spojky
spojkové válečky
ložiska
lamely
víka spojky
spojkové sety
MOTOR
chladící systém
vodní čerpadla
,
potrubí příslušenství
,
ventilátory
,
termostaty
,
chladiče
výfukový systém
potrubí, příslušenství
,
tlumiče výfuku
těsnění
turbo a příslušenství
mazání
příslušenství, čidla
ložiska
PODVOZEK
potrubí vzduchové
nápravy
vodící a rozpěrné tyče
řazení
spojovací hřídele
potrubí chladící
DIAGNOSTIKA
návěsová
VZDUCHOJEMY
Aktuality
Obchodní podmínky
Kontakty
Značky
Storm
Přihlášení
Více
Domů
/
VENTILY
/
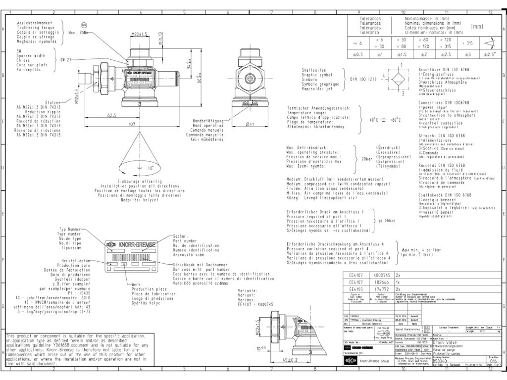
Odvodňovací ventil EE4103 / I74772
Odvodňovací ventil EE4103 / I74772
Kód:
0906962
Neohodnoceno
Značka:
Knorr-Bremse
2 366 Kč
2 862,86 Kč včetně DPH
Skladem
(2 ks)
+
−
Přidat do košíku
11937035000791040
Detailní informace
Tisk
Zeptat se
Sdílet
Tweet
Zavřít
Popis
Diskuze
Detailní popis produktu
Operace AutomatickýRozměr přípojky 1: M22x1,5; 4: M12x1,5Se signálem Ano
Doplňkové parametry
Kategorie
:
VENTILY
Hmotnost
:
0.829 kg
EAN
:
EE4103
Kód produktu
:
EE4103
Buďte první, kdo napíše příspěvek k této položce.
Přidat komentář
Nevyplňujte toto pole:
Vložením komentáře souhlasíte s
podmínkami ochrany osobních údajů
Bezpečnostní kontrola
Opište text z obrázku